Lagerverkauf - Ersatz-Teile passend für PARSUN F8 und F9.8 Benzin-Außenborder (Parts)
Teile / Parts für Parsun F-9.8 Außenbord-Motor günstig kaufen (Spare Parts Sale).
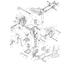
Verwenden Sie jetzt einfach die Konstruktions-Zeichnungen zum schnellen Finden und Bestellen Ihres benötigten Ersatzteiles....
Einen Parsun Motor kaufen ist leicht. Doch wenn es um Ersatzteil-Versorgung geht, trennt sich die Spreu vom Weizen: Wir führen aktuell das wahrscheinlich größte Parsun Ersatzteil-Sortiment in Deutschland. Falls Sie ein Ersatzteil nicht finden, dann kontaktieren Sie uns bitte einfach!
TIPP: Ersatzteil-Zeichnungen, zum einfachen auffinden Ihres gesuchten Teils, werden nur auf Tablet, Notebook oder PC-Bildschirmen angezeigt...
tut uns leid.
Parsun 2.6 PS
| Parsun 5 PS
| Parsun 6 PS
| Parsun 9.8 PS
| Parsun 15 PS
Mit der unvergleichlichen PROWAKE Ersatzteil-Sicherheit,
ohne Speditions-Versandkosten und zum günstigen Lagerverkaufs-Preis!
